4.3kw高壓鼓風機參數及尺寸
瀏覽:2821 發布日期:2019-07-10 07:31
4.3kw高壓鼓風機是雙葉輪風機,型號為2GH720-H37,兩個葉輪串聯增壓,所以壓力比較高,流量減少得也有限。具體參數如下:



| 50HZ參數 | 60HZ參數 | |||||
| 葉輪: | 雙 | (級) | 葉輪: | 雙 | (級) | |
| 功率: | 4.3 | (Kw) | 功率: | 4.8 | (Kw) | |
| 輸出電壓: | 345-415△600-720Y | (V) | 輸出電壓: | 380-480△660-720Y | (V) | |
| 電流: | 10.0△/5.2Y | (A) | 電流: | 10.4△/6.0Y | (A) | |
| 噪音: | 73 | dB(A) | 噪音: | 76 | dB(A) | |
| 重量: | 53 | (Kg) | 重量: | 53 | (Kg) | |
| 排吸氣量: | 320 | (m3/h) | 排吸氣量: | 385 | (m3/h) | |
| 吸入壓力: | -360 | (mbar) | 吸入壓力: | -330 | (mbar) | |
| 排氣壓力: | 360 | (mbar) | 排氣壓力: | 330 | (mbar) |




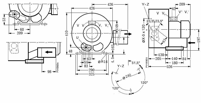
上圖為:4.3kw高壓鼓風機平面尺寸圖
4.3kw高壓漩渦風機性能特點:
1.低耗能:所以吹噴吸引等任何方法任何方法都有其效能,且在高壓力的范圍有較保守的設計,在使用情形產生變化時,豪冠風機依然安全運轉。
2.安裝容易:可隨時安裝于使用場所供壓縮空氣或用于抽真空。且能任意安裝于水平或垂直的方向。
3.可靠性高:除了葉輪外,沒有其他動件,且葉輪直接連接馬達,無齒輪或傳動皮帶帶動,因此可靠性高,幾乎免維修。
4.低震動:機械精密度高,回轉部分之另件均經過極精密之平衡設計,測試、校正所以震動率很低。
5.省空間-結實之設計,減少空間浪費。 zui高品質:以江鼓二十余年之制造經驗加上嚴密的品管,使所有的零件均能達到zui高品質要求。同時為確保性能,每一臺風機,在出廠前均做運轉測試



